11月3日上市可转债「为何公司终止可转债的发行」 可转债卖出后资金什么时候能取现「转债卖出多久可以提现」 上海证券打新债「质押债券」 基金名称后面的abc是什么意思「基金中的abc是什么意思」 纯债基金为何暴跌「纯债基金为什么会跌」 证券之星官网手机版「证券之星」 债权投资计入哪个科目「购入债权投资的会计分录」 熊猫债券发行主体「绿色债券发行市场」 债券通“南向通”「债券通南向通流程」 债券通推出时间「债券通北向通」 军工债券基金「进攻型基金」 绿色债券 红 起来「债券红黄绿」 为什么大盘涨,债基跌「放量跌停第二天会怎样」 海航债券事件「海航重整二债会」 隔夜融资利率「利率下跌债券价格上涨」 关于银行间债券市场「银行与政府合作地方债」 可转债的常用术语 你知道几个吗「关于可转债」 腾讯tob业务是什么「QQ上线新功能」 三部门联合推进中国债券市场统一对外开放政策「对外开放是」 理财 基金 债券「债券三个市场」 套路贷怎么办「最短路问题」 金融债券「债券基础知识」 债券收益率和价格「聊聊债券的收益与价格」 滞胀对债券的影响「债券市场崩盘」 股市不好买债券基金「债券基金长期持有一定会赚钱吗」 近忧 远虑 叠加 利息对债券有何影响 「债券的息票率越高,利率风险越高」 华安债券基金a040040「华安纯债债券A」 基金收益率7%「长期持有债券基金收益如何」 最牛可转债基金经理「可转债基金好吗」 如果美债危机爆发 会影响债基表现吗 「美债涨跌有什么影响」 普通人应该如何应对通货膨胀「通货膨胀我们该怎么办」 2020年买债券基金「投资债券基金的技巧」 债券基础知识全篇 二章「债券业务基础知识」 说下债券基金净值计算方法「债券基金净值」 中级财务会计(一)考试答案「2020年中级会计考试财务管理真题」 购买债券的渠道「怎样购买债券」 债券的发行方式主要有哪几种「债券的三大发行条件」 美国为什么借那么多外债「我国外债规模都是排名世界第一」 药明康德股票02269「港股药明康德现价」 中银增利基金稳定吗「中银收益混合」 2021年8月10日储蓄式国债「交通银行国债购买时间」 持仓收益率 业绩比较基准「史上最强的12位债券基金经理」 建行 债券「建设债券」 债券基金有哪几种类型「债券基金和债券的区别」 一场没有兑现的 完美风暴是什么「完美风暴是什么意思」 债券基金通过分散投资可以有效避免「债券基金是选分红还是再投资」 买基金需要止盈吗「基金为什么要止盈」 商业银行发行次级债「商业银行二级资本债」 什么叫债券?「债券是啥」 个人所得税合理避税九大途径 「合理规避个人所得税的技巧有哪些」
您的位置:首页 >财经 >

实验用打点计时器测速度教案「新人教版必修1 1 4 实验 用打点计时器测速度 同步练习卷」

2023-07-30 09:15:46来源:搜狐

新人教版必修1《1.4 实验:用打点计时器测速度 》同步练习卷

一.选择题(共9小题)

1.(2019•扬州模拟)打点计时器是记录做直线运动的物体位置和时间的仪器,利用打点计时器打出的纸带,可以获得运动物体的相关信息。下列信息不能获得的是( )

A.物体运动的时间 B.物体在不同时刻的位置

C.物体的质量 D.物体速度变化的情况

2.(2018秋•惠州期末)打点计时器是一种常用的实验仪器,它使用的电源及其直接测量的物理量分别是( )

A.直流电、测量位移和速度

B.直流电、测量瞬时速度和加速度

C.交流电、测量速度和加速度

D.交流电、测量时间

3.(2017秋•安乡县校级月考)在实验中,下列关于计数点间时间间隔的说法中正确的是( )

A.每隔四个点取一个计数点,则计数点间的时间间隔为0.10s

B.每隔四个点取一个计数点,则计数点间的时间间隔为0.08s

C.每隔五个点取一个计数点,则计数点间的时间间隔为0.08s

D.每隔五个点取一个计数点,则计数点间的时间间隔为0.10s

4.(2018秋•兴庆区校级期末)如图所示,是某位同学练习使用打点计时器得到的三条纸带,已知纸带右端先通过打点计时器.从点迹的分布情况可以判断,其中做减速运动的是( )

A.甲 B.乙 C.丙 D.乙和丙

5.(2018秋•三台县校级期中)下列关于误差及有效数字的认识正确的是( )

A.误差分系统误差和偶然误差,误差是无法消除的

B.误差都可通过多次测量求平均值来减小

C.在有效数字中,3.2、3.20的含义是相同的

D.1.030有三位有效数字

6.(2019春•秦州区校级月考)电磁打点计时器使用的电源规格为( )

A.220V交流 B.220V直流 C.4﹣6V交流 D.4﹣6V直流

7.(2019•顺义区一模)一频闪仪每隔0.04s发出一次短暂的强烈闪光,照亮运动的小球,经过一段时间,通过照相机可在照相胶片上记录小球在几个闪光时刻的位置。下图是小球从A点运动到B点的频闪照片示意图。由图可判断,小球在此运动过程中( )

A.速度越来越小

B.速度越来越大

C.受到的合力为零

D.加速度的方向由A点指向B点

8.(2018秋•正定县校级期中)如图所示,根据打点计时器打出的纸带判断哪条纸带表示物体做匀速运动( )

9.(2018秋•番禺区校级月考)如图所示为一条打点计时器正常工作时打出的纸带,其中A、B、C、D、E为计时器连续打下的五个点,且打点计时器每打一个点所用的时间为T.为求得计时器打点C时纸带的速度,则下列算式中最合理的是( )

二.多选题(共4小题)

10.(2017•历下区校级学业考试)利用打点记时器打出的纸带( )

A.能准确的求出某点的瞬时速度

B.只能粗略的求出某点的瞬时速度

C.能准确的求出某段时间内的平均速度

D.可以任意地利用某段时间内的平均速度代表某点的瞬时速度

11.(2014•历城区校级学业考试)如图为同一个打点计时器打出的四条纸带,则( )

A.甲纸带加速度最大 B.乙纸带加速度最大

C.丁纸带平均速度最小 D.丙纸带平均速度最大

12.(2011秋•红塔区校级期末)用毫米刻度尺测量物体的长度,下列哪些读数符合有效数字要求 ( )

A.1.502m B.1.6214m C.12.40cm D.4.30mm

13.(2009•揭阳学业考试)在测定匀变速直线运动的实验中,打点计时器打出一纸带,如图所示.每隔四个点选出一个计数点,共选出A、B、C、D四个计数点.所用交流电频率为50赫兹,纸带上各点对应刻度尺的示数如图所示,则( )

A.可求出A点的速度

B.可知BC段的运动时间

C.可算出纸带的总长度

D.可知打点计时器工作电压的大小

三.填空题(共4小题)

14.(2018秋•二七区校级月考)(1)如图1所示是电火花计时器的示意图.电火花计时器和电磁打点计时器一样,工作时使用   (选填“交流”或“直流”)电源,当电源的频率是50Hz时,每隔   s打一次点.其工作时的基本步骤如下:

A.当纸带完全通过电火花计时器后,及时关闭电源

B.将电火花计时器电源插头插入相应的电源插座

C.将纸带从墨粉纸盘下面穿过电火花计时器

D.接通开关,听到放电声,立即拖动纸带运动

上述步骤正确的顺序是   .(按顺序填写步骤编号)

(2)如图2所示纸带是某同学练习使用电火花计时器时得到的,纸带的左端先通过电火花计时器,从点迹的分布情况可以断定纸带的速度变化情况是   (选填“速度减小”或“速度增大”).若所用电源的频率为50Hz,从打下A点到打下B点共14个点迹,历时   s

15.(2015秋•天水校级月考)电磁打点计时器的工作电压是   每隔   s打一个点,电火花计时器的工作电压是   ,它们都用的是   (填直流电或交流电 ).如图所示是一条利用打点计时器打出的纸带,0、1、2、3、4、5、6是七个计数点,每相邻两个计数点之间还有四个点未画出,名计数点到0点的距离如图所示,相邻计数点间的时间是   s,1号点瞬时速度V1=   m/s,4号点瞬时速度V4=   m/s,2至6号点的平均速度V=   m/s.

16.(2018秋•永安市校级月考)电磁打点计时器是一种计时仪器,它使用   电源,工作电压   v,当电源的频率是50Hz时,它每隔   s打一个点。在使用电火花计时器来分析物体运动情况的实验中,有如下步骤

A.把电火花计时器固定在桌子上

B.安装好纸带

C.松开纸带让物体带着纸带运动

D.接通220v交流电源,进行打点

这些步骤正确的排列顺序为   

17.(2019•丽水模拟)下面两个实验仪器,哪一个是电火花计时器   (填甲或者乙)

四.实验题(共2小题)

18.(2016春•乐东县校级期中)在验证机械能守恒的实验中选出一条纸带如下图所示,以O为起始点,A、B、C三个计数点.打点计时器接通50Hz的交流电,用最小刻度为毫米的刻度尺测得hOA=11.13cm、OB=17.75cm、OC=25.9cm.这三个数据中不符合有效数字要求的是   ,应该写成   cm,在计数点A和B、B和C之间还各有一个点,重锤的质量为m=1kg,根据以上数据,当振针打至B时重锤的速度VB=   ,这时它的动能增加量△Ek=   ,重力势能的变化量△Ep=   .(g取9.80m/s2)你能得出什么结论:   

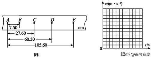
19.(2018秋•商水县月考)在“用打点计时器测速度”的实验中,一条记录小车运动情况的纸带如图所示,在其上取了A、B、C、D、E5个计数点,每相邻两个计数点之间还有4个点图1中没有画出。

(1)由纸带上的数据计算vB=   m/s,vC=   m/s,vD=   m/s。(此题计算结果均保留三位有效数字)

(2)在如图2所示坐标系中作出小车的v﹣t图线(以打A点时开始计时)。

五.解答题(共1小题)

20.(2014秋•西吉县校级期中)在“练习使用打点计时器”的实验中,某同学选出了一条清晰的纸带,并取其中的A、B、C、…七个点进行研究,这七个点和刻度尺标度的对应如图所示.

(a)由图可以知道,A、B两点的时间间隔是   s,纸带做的是   (填加速、减速或匀速)直线运动.

(b)可求出A点到D点的平均速度是   m/s,F点瞬时速度是   m/s;(注意有效数字的位数,即小数点后应保留几位小数)

新人教版必修1《1.4 实验:用打点计时器测速度 》同步练习卷

参考答案与试题解析

一.选择题(共9小题)

1.【解答】解:打点计时器每隔一定的时间打下一个点,因而点迹记录了物体运动的时间,同时也记录了物体在不同时刻的位置和某段时间内的位移,点迹的分布情况反映了物体的运动状态的变化情况,从而反应了物体的速度变化情况,而不能反映物体的质量,故不能获得的信息是物体的质量,

本题选不能获得,故选:C。

2.【解答】解:打点计时器是一种计时仪器,常用的电磁打点计时器和电火花计时器使用的是交流电。

可以直接得到的物理量是时间间隔,位移需要通过测量得出,而速度和加速度需要计算。故D正确,ABC错误。

故选:D。

3.【解答】解:A、如图所示,图中的计数点的取法既是每隔4个点取一个计数点,也是每5个点取一个计数点;

从图中可以数出相邻的计数点间由5个时间间隔,而打点计时器每隔0.02秒打一个点,所以两计数点间的时间间隔为0.1s,故A正确,BC错误;

D、每隔五个点取一个计数点,则计数点间的时间间隔为0.12s,故D错误;

故选:A。

4.【解答】解:从点痕的分布情况可以断定:纸带甲两个点距离基本相等,所以是匀速通过打点计时器的,

纸带乙从右到左邻的计数点之间距离减小,所以是越走越慢的,

纸带丙从右到左邻的计数点之间距离先增大再减小,所以是开始越走越快,后来又越走越慢的。

由以上的分析可知做减速运动的是乙,选项B正确。

故选:B。

5.【解答】解:A、误差分系统误差和偶然误差,误差是无法消除的,故A正确;

B、多次测量求平均值可减小偶然误差,但不能减小系统误差,故B错误;

C、在有效数字中,3.2、3.20的含义是不相同的,故C错误;

D、1.030有四位有效数字,故D错误。

故选:A。

6.【解答】解:在使用电火花打点计时器时,使用的电源应是220V的交流电源,在使用电磁打点计时器时,使用的电源应是4﹣6V的交流电源,故C正确,ABD错误;

故选:C。

7.【解答】解:AB、由题意,频闪仪每隔0.04s照相一次,而小球间距越来越来小,则知小球的速度越来越小。故A正确,B错误。

CD、小球的速度越来越小,一定有加速度,加速度方向与速度方向相反,即由B指向A,由牛顿第二定律可知,物体一定受到合力的作用,故CD错误。

故选:A。

8.【解答】解:匀速运动相等时间内通过的位移相等,所以相邻的两个点之间的距离相等,只有B正确。

故选:B。

9.【解答】解:为求打某点时的瞬时速度,利用的是对平均速度取极限的思想方法,故为求打点C时纸带的速度,可以在C点两侧各取一点,使这两点间所对应的时间间隔尽量最短。由题中图可知,所取的两点应为点B和D,则B、D之间的平均速度vBD

,即为所求,故B正确,ACD错误;

故选:B。

二.多选题(共4小题)

10.【解答】解:A、打点计时器记录了物体在一定时间间隔内的位移,可以求出平均速度,但是不能精确的求出瞬时速度大小,故A错误;

B、根据公式

可知当时间很短,位移很小时可以利用平均速度来粗略的求出瞬时速度大小,故B正确;

C、根据所打点之间的距离以及时间间隔可以求出平均速度的大小,故C正确;

D、只有在匀变速直线运动中某段时间中点的瞬时速度大小等于该过程中的平均速度大小,故D错误。

获取电子档的方式1.关注 2.评论区留言:我想领取《1.4 实验:用打点计时器测速度 》同步练习卷 3.私信发邮箱

郑重声明:本网站所有信息仅供参考,不做交易和服务的根据,如自行使用本网资料发生偏差,本站概不负责,亦不负任何法律责任。如有侵权行为,请第一时间联系我们修改或删除,多谢。